Spring Isolators V303 – V308
Product Characteristics
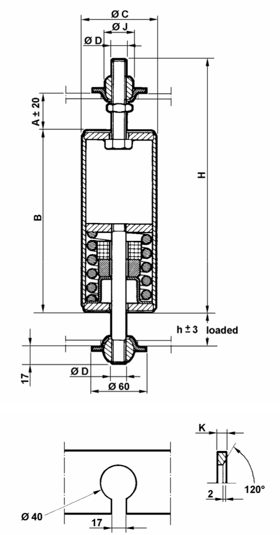
All metal isolator of the single-action type, designed for loading in tension only. Resilient elements: High tensile steel springs and 18/8 stainless steel cushions. Brass spherical nuts. Housing and other parts in steel.
Protection: Paint
A series of low-frequency isolators for tension loads.
Natural frequency: 3.5 to 5 Hz.
Amplification factor: < 9.
Temperature range: -90 °C to +300 °C.
Maximum load corresponding to a continuous acceleration of 3 g.
Product Applications
Isolation of exhaust systems, especially on ships. Isolation of various pipes (pressurised air or fluids). Protection of fragile equipment during transportation.
Installation
Attachment points to be made as shown in the cross-selection a-a. The mount may then be easily hooked onto the bracket without removing the nuts. The distance between the cups can be adjusted by turning the sleeve and locking the nut. The isolator must not be tensioned. Dimension “h” must be checked after thermal expansion of the pipe and the locknut locked afterwards. Dimension “h” must be within the ± 3 mm tolerances.
Technical Specifications
Spring-isolator-V303-V308-technical specifications spring-isolator-v303-v308-technical-specifications.xlsx
Load Range - Weight
| Ref | Load range in daN (≈kg) | Weight (kg) | |
| Static | Dynamic | ||
| V303 | 4 - 85 | 260 | 2.0 |
| V304 | 75 - 140 | 420 | 2.1 |
| V305 | 120 - 230 | 700 | 4.4 |
| V306 | 200 - 380 | 1200 | 4.6 |
| V308 | 270 - 500 | 1500 | 2.8 |
Dimensions
| Ref | A | B | C | D | H | K | h |
| V303 | 40 | 135 | 63 | M12 | 210 | 6 | 35 |
| V304 | 40 | 155 | 63 | M12 | 230 | 6 | 35 |
| V305 | 40 | 175 | 82 | M16 | 257 | 8 | 40 |
| V306 | 45 | 200 | 82 | M16 | 282 | 8 | 40 |
| V308 | 45 | 220 | 82 | M16 | 302 | 8 | 40 |
Downloads
Contact us
Daniel Johansson
Production, Quality and Environmental Manager Sweden
Interested in Spring Isolators V303 – V308?
Feel free to contact us for more information













































